Call us at (650) 938-8833 or email us at Sales@StcValve.net.
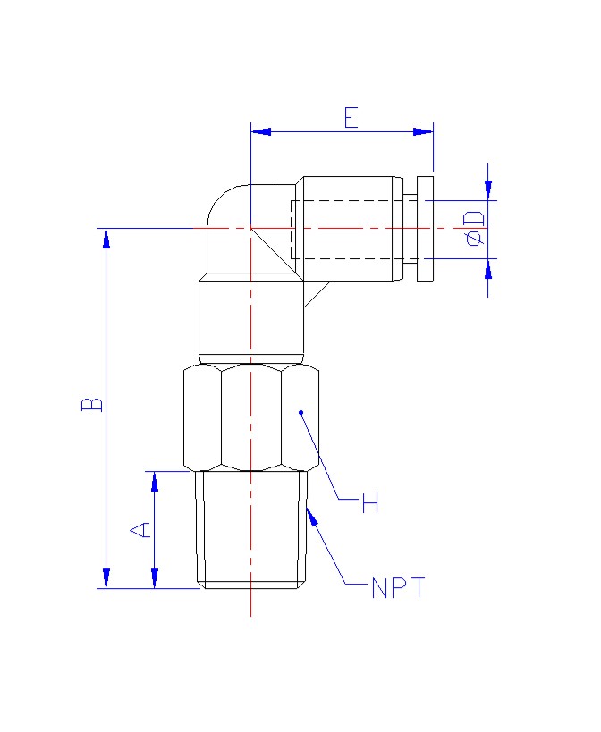
Note: The EE (Extended Elbow) is designed to be higher than a ME (Male Elbow) of the same size, so that when installed side by side, the EE can be rotated above the ME and the tube from the EE can go over the ME.

Model EE Dimensions
|
||||||
| Model | ФD | Thread Size | A | B | E | H |
| EE 5/32 10-32 | 5/32 | 10-32UNF | 3.8 | 33.5 | 17.5 | 11.1 |
| EE 5/32 N1/8 | 5/32 | NPT1/8 | 7.5 | 36 | 17.5 | 11.1 |
| EE 3/16 N1/8 | 3/16 | NPT1/8 | 36 | 17.8 | 11.1 | |
| EE 3/16 N1/4 | 3/16 | NPT1/4 | 10.5 | 39.5 | 17.8 | 14.3 |
| EE 3/16 N3/8 | 3/16 | NPT3/8 | 11 | 40.5 | 17.8 | 17.4 |
| EE 1/4 N1/8 | 1/4 | NPT1/8 | 7.5 | 39.7 | 19 | 12.7 |
| EE 1/4 N1/4 | 1/4 | NPT1/4 | 10.5 | 43.2 | 19 | 14.3 |
| EE 1/4 N3/8 | 1/4 | NPT3/8 | 11 | 44.2 | 19 | 17.4 |
| EE 5/16 N1/8 | 5/16 | NPT1/8 | 7.5 | 42.3 | 22.8 | 14.3 |
| EE 5/16 N1/4 | 5/17 | NPT1/4 | 10.5 | 45.3 | 22.8 | 14.3 |
| EE 5/16 N3/8 | 5/18 | NPT3/8 | 11 | 46.3 | 22.8 | 17.4 |
| EE 3/8 N1/4 | 3/8 | NPT1/4 | 10.5 | 52 | 26.3 | 17.4 |
| EE 3/8 N3/8 | 3/8 | NPT3/8 | 11 | 53.5 | 26.3 | 17.4 |
| EE 3/8 N1/2 | 3/8 | NPT1/2 | 14 | 57 | 26.3 | 22.2 |
| EE 1/2 N1/4 | 1/2 | NPT1/4 | 10.5 | 59.5 | 29.6 | 22.2 |
| EE 1/2 N3/8 | 1/3 | NPT3/8 | 11 | 60 | 29.6 | 22.2 |
| EE 1/2 N1/2 | 1/4 | NPT1/2 | 14 | 63 | 29.6 | 22.2 |
| EE 4 M5 | 4 | M5 | 3.8 | 29.3 | 17.5 | 8 |
| EE 4 M6 | 4 | M6 | 4.5 | 30 | 17.5 | 8 |
| EE 4 R1/8 | 4 | R1/8 | 7 | 35.5 | 17.5 | 10 |
| EE 4 R1/4 | 4 | R1/4 | 9.5 | 39 | 17.5 | 14 |
| EE 6 M5 | 6 | M5 | 3.8 | 31.3 | 19 | 8 |
| EE 6 M6 | 6 | M6 | 4.5 | 32 | 19 | 8 |
| EE 6 R1/8 | 6 | R1/8 | 7 | 39.2 | 19 | 12 |
| EE 6 R1/4 | 6 | R1/4 | 9.5 | 42.2 | 19 | 14 |
| EE 6 R3/8 | 6 | R3/8 | 10.5 | 43.7 | 19 | 17 |
| EE 6 R1/2 | 6 | R1/2 | 13.5 | 47.2 | 19 | 21 |
| EE 8 R1/8 | 8 | R1/8 | 7 | 41.8 | 22.8 | 14 |
| EE 8 R1/4 | 8 | R1/4 | 9.5 | 44.3 | 22.8 | 14 |
| EE 8 R3/8 | 8 | R3/8 | 10.5 | 45.8 | 22.8 | 17 |
| EE 8 R1/2 | 8 | R1/2 | 13.5 | 49.3 | 22.8 | 21 |
| EE 10 R1/8 | 10 | R1/8 | 7 | 49.5 | 26.3 | 17 |
| EE 10 R1/4 | 10 | R1/4 | 9.5 | 52 | 26.3 | 17 |
| EE 10 R3/8 | 10 | R3/8 | 10.5 | 53 | 26.3 | 17 |
| EE 10 R1/2 | 10 | R1/2 | 13.5 | 56.5 | 26.3 | 21 |
| EE 12 R1/4 | 12 | R1/4 | 9.5 | 58.5 | 29.6 | 20 |
| EE 12 R3/8 | 12 | R3/8 | 10.5 | 59.5 | 29.6 | 20 |
| EE 12 R1/2 | 12 | R1/2 | 13.5 | 62.5 | 29.6 | 21 |
| Dimensions for Reference Use Only: Imperial fittings in mm, Metric fittings in mm, U.S.O. | ||||||
Link to Push-In Air Fitting Installation Procedure and Specifications
| Home | Terms of Use | Terms of Sale | Career | Contact Us | Click Here to Order |
|
Sizto Tech Corporation © 2001- All rights reserved. Sizto Tech Corporation © 2001-2016. All rights reserved. Last modified: May 10, 2016. Information contained herein may be changed without prior notification. |
|||||