Call us at (650) 938-8833 or email us at Sales@StcValve.net.

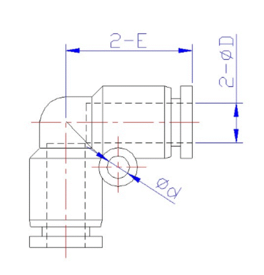
Model EU Dimensions
|
|||
| Model | ФD | Фd | E |
| EU 5/32 | 5/32 | 3.2 | 17.5 |
| EU 3/16 | 3/16 | 3.2 | 17.8 |
| EU 1/4 | 1/4 | 3.2 | 19 |
| EU 5/16 | 5/16 | 3.2 | 22.8 |
| EU 3/8 | 3/8 | 4.2 | 26.3 |
| EU 1/2 | 1/2 | 4.3 | 29.6 |
| EU 04 | 4 | 3.2 | 17.5 |
| EU 06 | 6 | 3.2 | 19 |
| EU 08 | 8 | 3.2 | 22.8 |
| EU 10 | 10 | 4.2 | 26.3 |
| EU 12 | 12 | 4.3 | 29.6 |
| EU 14 | 14 | 5.1 | 31.7 |
| EU 16 | 16 | 5.1 | 33 |
| Dimensions for Reference Use Only: Imperial fittings in mm, Metric fittings in mm, U.S.O. | |||
Link to Push-In Air Fitting Installation Procedure and Specifications
| Home | Terms of Use | Terms of Sale | Career | Contact Us | Click Here to Order |
|
Sizto Tech Corporation © 2001- All rights reserved. Sizto Tech Corporation © 2001-2016. All rights reserved. Last modified: May 10, 2016. Information contained herein may be changed without prior notification. |
|||||