Call us at (650) 938-8833 or email us at Sales@StcValve.net.

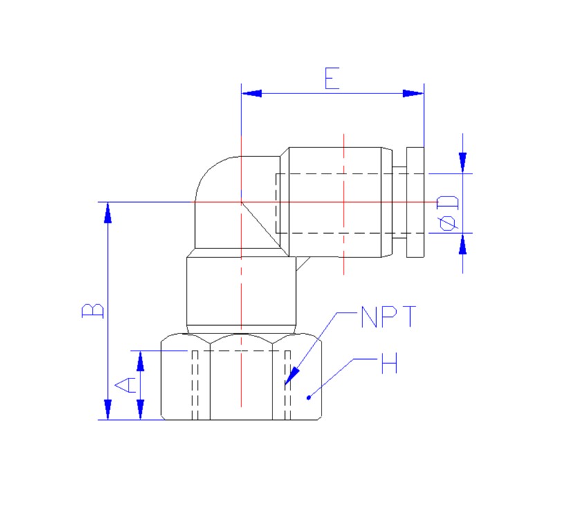
Model FE Dimensions
|
||||||
| Model | ФD | Thread Size | A | B | E | H |
| FE 5/32 N1/8 | 5/32 | NPT1/8 | 7.5 | 23.5 | 17.5 | 14.3 |
| FE 3/16 N1/8 | 3/16 | NPT1/8 | 7.5 | 23.8 | 17.8 | 14.3 |
| FE 3/16 N1/4 | 3/16 | NPT1/4 | 10.5 | 26.5 | 17.8 | 17.4 |
| FE 1/4 N1/8 | 1/4 | NPT1/8 | 7.5 | 24.9 | 19 | 14.3 |
| FE 1/4 N1/4 | 1/4 | NPT1/4 | 10.5 | 27.9 | 19 | 17.4 |
| FE 5/16 N1/8 | 5/16 | NPT1/8 | 7.5 | 25 | 22.8 | 14.3 |
| FE 5/16 N1/4 | 5/16 | NPT1/4 | 10.5 | 28.5 | 22.8 | 17.4 |
| FE 5/16 N3/8 | 5/16 | NPT3/8 | 11 | 29.5 | 22.8 | 22.2 |
| FE 3/8 N1/4 | 3/8 | NPT1/4 | 10.5 | 31 | 26.3 | 17.4 |
| FE 3/8 N3/8 | 3/8 | NPT3/8 | 11 | 31.5 | 26.3 | 22.2 |
| FE 1/2 N3/8 | 1/2 | NPT3/8 | 11 | 34.5 | 29.6 | 22.2 |
| FE 1/2 N1/2 | 1/2 | NPT1/2 | 14 | 37.5 | 29.6 | 25.4 |
| FE 4 M5 | 4 | M5 | 4.5 | 19.5 | 17.5 | 10 |
| FE 4 M6 | 4 | M6 | 5 | 20 | 17.5 | 10 |
| FE 4 G1/8 | 4 | G1/8 | 7 | 23 | 17.5 | 14 |
| FE 4 G1/4 | 4 | G1/4 | 9 | 25 | 17.5 | 17 |
| FE 6 M5 | 6 | M5 | 4.5 | 20.7 | 19 | 12 |
| FE 6 M6 | 6 | M6 | 5 | 21.2 | 19 | 12 |
| FE 6 G1/8 | 6 | G1/8 | 7 | 24.4 | 19 | 14 |
| FE 6 G1/4 | 6 | G1/4 | 9 | 26.4 | 19 | 17 |
| FE 6 G3/8 | 6 | G3/8 | 10 | 27.7 | 19 | 19 |
| FE 8 G1/8 | 8 | G1/8 | 7 | 24.8 | 22.8 | 14 |
| FE 8 G1/4 | 8 | G1/4 | 9 | 27 | 22.8 | 17 |
| FE 8 G3/8 | 8 | G3/8 | 10 | 28.5 | 22.8 | 19 |
| FE 8 G1/2 | 8 | G1/2 | 12 | 30.5 | 22.8 | 24 |
| FE 10 G1/8 | 10 | G1/8 | 7 | 23 | 26.3 | 17 |
| FE 10 G1/4 | 10 | G1/4 | 9 | 29.5 | 26.3 | 17 |
| FE 10 G3/8 | 10 | G3/8 | 10 | 31 | 26.3 | 19 |
| FE 10 G1/2 | 10 | G1/2 | 12 | 33.5 | 26.3 | 24 |
| FE 12 G1/4 | 12 | G1/4 | 9 | 26 | 29.6 | 21 |
| FE 12 G3/8 | 12 | G3/8 | 10 | 34 | 29.6 | 21 |
| FE 12 G1/2 | 12 | G1/2 | 12 | 36.5 | 29.6 | 24 |
| Dimensions for Reference Use Only: Imperial fittings in mm, Metric fittings in mm, U.S.O. | ||||||
Link to Push-In Air Fitting Installation Procedure and Specifications
| Home | Terms of Use | Terms of Sale | Career | Contact Us | Click Here to Order |
|
Sizto Tech Corporation © 2001- All rights reserved. Sizto Tech Corporation © 2001-2016. All rights reserved. Last modified: May 10, 2016. Information contained herein may be changed without prior notification. |
|||||