Call us at (650) 938-8833 or email us at Sales@StcValve.net.

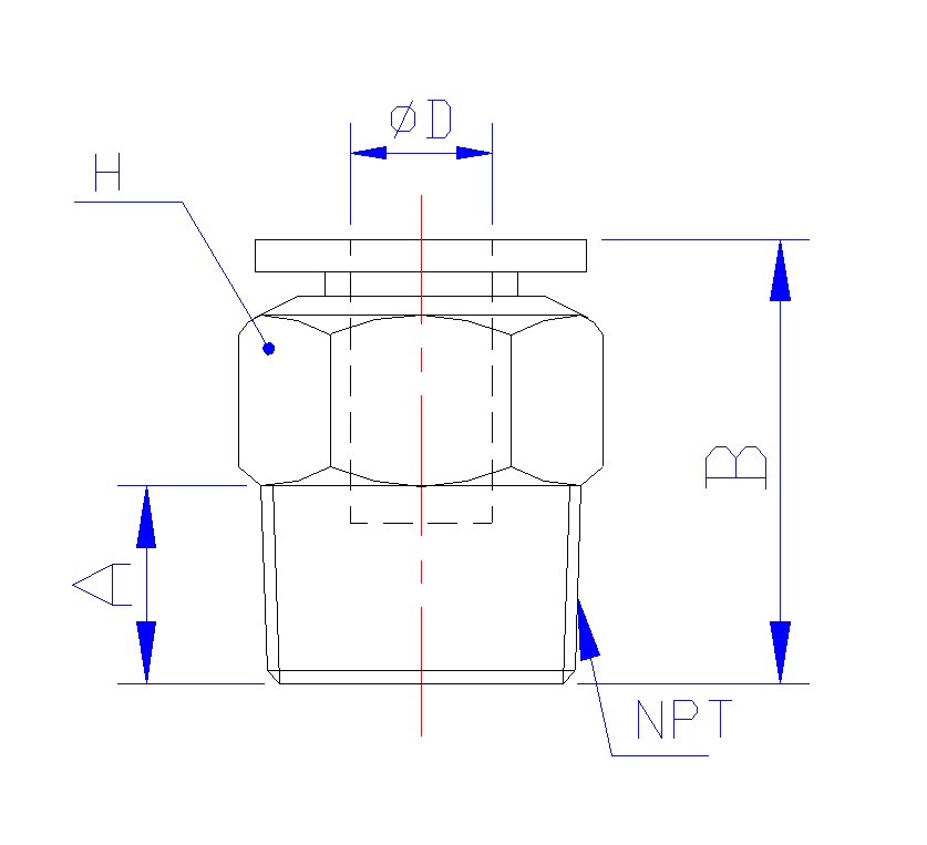
Model MC Dimensions
|
|||||
| Model | ФD | Thread Size | A | B | H |
| MC 5/32 10-32 | 5/32 | 10-32UNF | 3.8 | 20.3 | 11.1 |
| MC 5/32 N1/8 | 5/32 | NPT1/8 | 7.5 | 19.8 | 11.1 |
| MC 5/32 N1/4 | 5/32 | NPT1/4 | 10.5 | 18.9 | 14.3 |
| MC 3/16 10-32 | 3/16 | 10-32UNF | 3.8 | 20.9 | 11.1 |
| MC 3/16 N1/8 | 3/16 | NPT1/8 | 7.5 | 20.6 | 11.1 |
| MC 3/16 N1/4 | 3/16 | NPT1/4 | 10.5 | 23.7 | 14.3 |
| MC 3/16 N3/8 | 3/16 | NPT3/8 | 11 | 21.2 | 17.4 |
| MC 1/4 10-32 | 1/4 | 10-32UNF | 3.8 | 21.2 | 12.7 |
| MC 1/4 N1/8 | 1/4 | NPT1/8 | 7.5 | 20.9 | 12.7 |
| MC 1/4 N1/4 | 1/4 | NPT1/4 | 10.5 | 23.7 | 14.3 |
| MC 1/4 N3/8 | 1/4 | NPT3/8 | 11 | 21.2 | 17.4 |
| MC 5/16 N1/8 | 5/16 | NPT1/8 | 7.5 | 25.9 | 14.3 |
| MC 5/16 N1/4 | 5/16 | NPT1/4 | 10.5 | 25.9 | 14.3 |
| MC 5/16 N3/8 | 5/16 | NPT3/8 | 11 | 22.4 | 17.4 |
| MC 3/8 N1/8 | 3/8 | NPT1/8 | 7.5 | 28.2 | 17.4 |
| MC 3/8 N1/4 | 3/8 | NPT1/4 | 10.5 | 30.5 | 17.4 |
| MC 3/8 N3/8 | 3/8 | NPT3/8 | 11 | 27.5 | 17.4 |
| MC 3/8 N1/2 | 3/8 | NPT1/2 | 14 | 25.8 | 22.2 |
| MC 1/2 N1/4 | 1/2 | NPT1/4 | 10.5 | 33.9 | 22.2 |
| MC 1/2 N3/8 | 1/2 | NPT3/8 | 11 | 30.4 | 22.2 |
| MC 1/2 N1/2 | 1/2 | NPT1/2 | 14 | 33.4 | 22.2 |
| MC 4 M5 | 4 | M5 | 3.8 | 20.1 | 10 |
| MC 4 M6 | 4 | M6 | 4.5 | 20.8 | 10 |
| MC 4 R1/8 | 4 | R1/8 | 7 | 19.3 | 10 |
| MC 4 R1/4 | 4 | R1/4 | 9.5 | 17.9 | 14 |
| MC 6 M5 | 6 | M5 | 3.8 | 21.2 | 12 |
| MC 6 M6 | 6 | M6 | 4.5 | 21.7 | 12 |
| MC 6 R1/8 | 6 | R1/8 | 7 | 20.4 | 12 |
| MC 6 R1/4 | 6 | R1/4 | 9.5 | 22.7 | 14 |
| MC 6 R3/8 | 6 | R3/8 | 10.5 | 20.7 | 17 |
| MC 6 R1/2 | 6 | R1/2 | 13.5 | 24.7 | 21 |
| MC 8 R1/8 | 8 | R1/8 | 7 | 25.4 | 14 |
| MC 8 R1/4 | 8 | R1/4 | 9.5 | 24.9 | 14 |
| MC 8 R3/8 | 8 | R3/8 | 10.5 | 21.9 | 17 |
| MC 8 R1/2 | 8 | R1/2 | 13.5 | 25.9 | 21 |
| MC 10 R1/8 | 10 | R1/8 | 7 | 27.7 | 17 |
| MC 10 R1/4 | 10 | R1/4 | 9.5 | 29.5 | 17 |
| MC 10 R3/8 | 10 | R3/8 | 10.5 | 27 | 17 |
| MC 10 R1/2 | 10 | R1/2 | 13.5 | 25.3 | 21 |
| MC 12 R1/4 | 12 | R1/4 | 9.5 | 32.9 | 20 |
| MC 12 R3/8 | 12 | R3/8 | 10.5 | 29.9 | |
| MC 12 R1/2 | 12 | R1/2 | 13.5 | 32.9 | 21 |
| Dimensions for Reference Use Only: Imperial fittings in mm, Metric fittings in mm, U.S.O. | |||||
Link to Push-In Air Fitting Installation Procedure and Specifications
| Home | Terms of Use | Terms of Sale | Career | Contact Us | Click Here to Order |
|
Sizto Tech Corporation © 2001- All rights reserved. Sizto Tech Corporation © 2001-2016. All rights reserved. Last modified: May 10, 2016. Information contained herein may be changed without prior notification. |
|||||