Call us at (650) 938-8833 or email us at Sales@StcValve.net.

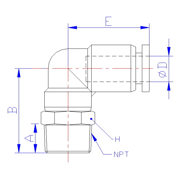
Model ME Dimensions
|
||||||
| Model | ФD | Thread Size | A | B | E | H |
| ME 5/32 10-32 | 5/32 | 10-32UNF | 3.8 | 22 | 17.5 | 11.1 |
| ME 5/32 N1/8 | 5/33 | NPT1/8 | 7.5 | 24 | 17.5 | 11.1 |
| ME 5/32 N1/4 | 5/34 | NPT1/4 | 10.5 | 28 | 17.5 | 14.3 |
| ME 3/16 10-32 | 3/16 | 10-32UNF | 3.8 | 22 | 17.8 | 11.1 |
| ME 3/16 N1/8 | 3/16 | NPT1/8 | 7.5 | 24.5 | 17.8 | 11.1 |
| ME 3/16 N1/4 | 3/16 | NPT1/4 | 10.5 | 28 | 17.8 | 14.3 |
| ME 3/16 N3/8 | 3/16 | NPT3/8 | 11 | 29 | 17.8 | 17.4 |
| ME 1/4 10-32 | 1/4 | 10-32UNF | 3.8 | 24.4 | 19 | 12.7 |
| ME 1/4 N1/8 | 1/4 | NPT1/8 | 7.5 | 25.7 | 19 | 12.7 |
| ME 1/4 N1/4 | 1/4 | NPT1/4 | 10.5 | 29.2 | 19 | 14.3 |
| ME 1/4 N3/8 | 1/4 | NPT3/8 | 11 | 30.2 | 19 | 17.4 |
| ME 5/16 N1/8 | 5/16 | NPT1/8 | 7.5 | 27 | 22.8 | 14.3 |
| ME 5/16 N1/4 | 5/16 | NPT1/4 | 10.5 | 30 | 22.8 | 14.3 |
| ME 5/16 N3/8 | 5/16 | NPT3/8 | 11 | 31 | 22.8 | 17.4 |
| ME 3/8 N1/8 | 3/8 | NPT1/8 | 7.5 | 30 | 26.3 | 17.4 |
| ME 3/8 N1/4 | 3/8 | NPT1/4 | 10.5 | 33 | 26.3 | 17.4 |
| ME 3/8 N3/8 | 3/8 | NPT3/8 | 11 | 33.5 | 26.3 | 17.4 |
| ME 3/8 N1/2 | 3/8 | NPT1/2 | 14 | 37 | 26.3 | 22.2 |
| ME 1/2 N1/4 | 1/2 | NPT1/4 | 10.5 | 36.5 | 29.6 | 22.2 |
| ME 1/2 N3/8 | 1/2 | NPT3/8 | 11 | 37 | 29.6 | 22.2 |
| ME 1/2 N1/2 | 1/2 | NPT1/2 | 14 | 40 | 29.6 | 22.2 |
| ME 4 M5 | 4 | M5 | 3.8 | 17.3 | 17.5 | 8 |
| ME 4 M6 | 4 | M6 | 4.5 | 18 | 17.5 | 8 |
| ME 4 R1/8 | 4 | R1/8 | 7 | 23.5 | 17.5 | 10 |
| ME 4 R1/4 | 4 | R1/4 | 9.5 | 27 | 17.5 | 14 |
| ME 6 M5 | 6 | M5 | 3.8 | 17.3 | 19 | 8 |
| ME 6 M6 | 6 | M6 | 4.5 | 18 | 19 | 8 |
| ME 6 R1/8 | 6 | R1/8 | 7 | 25.2 | 19 | 12 |
| ME 6 R1/4 | 6 | R1/4 | 9.5 | 28.2 | 19 | 14 |
| ME 6 R3/8 | 6 | R3/8 | 10.5 | 29.7 | 19 | 17 |
| ME 6 R1/2 | 6 | R1/2 | 13.5 | 33.2 | 19 | 21 |
| ME 8 R1/8 | 8 | R1/8 | 7 | 26.5 | 22.8 | 14 |
| ME 8 R1/4 | 8 | R1/4 | 9.5 | 29 | 22.8 | 14 |
| ME 8 R3/8 | 8 | R3/8 | 10.5 | 30.5 | 22.8 | 17 |
| ME 8 R1/2 | 8 | R1/2 | 13.5 | 34 | 22.8 | 21 |
| ME 10 R1/8 | 10 | R1/8 | 7 | 29.5 | 26.3 | 17 |
| ME 10 R1/4 | 10 | R1/4 | 9.5 | 32 | 26.3 | 17 |
| ME 10 R3/8 | 10 | R3/8 | 10.5 | 33 | 26.3 | 17 |
| ME 10 R1/2 | 10 | R1/2 | 13.5 | 36.5 | 26.3 | 21 |
| ME 12 R1/4 | 12 | R1/4 | 9.5 | 35.5 | 29.6 | 20 |
| ME 12 R3/8 | 12 | R3/8 | 10.5 | 36.5 | 29.6 | 20 |
| ME 12 R1/2 | 12 | R1/2 | 13.5 | 39.5 | 29.6 | 21 |
| Dimensions for Reference Use Only: Imperial fittings in mm, Metric fittings in mm, U.S.O. | ||||||
Link to Push-In Air Fitting Installation Procedure and Specifications
| Home | Terms of Use | Terms of Sale | Career | Contact Us | Click Here to Order |
|
Sizto Tech Corporation © 2001- All rights reserved. Sizto Tech Corporation © 2001-2016. All rights reserved. Last modified: May 10, 2016. Information contained herein may be changed without prior notification. |
|||||