Call us at (650) 938-8833 or email us at Sales@StcValve.net.

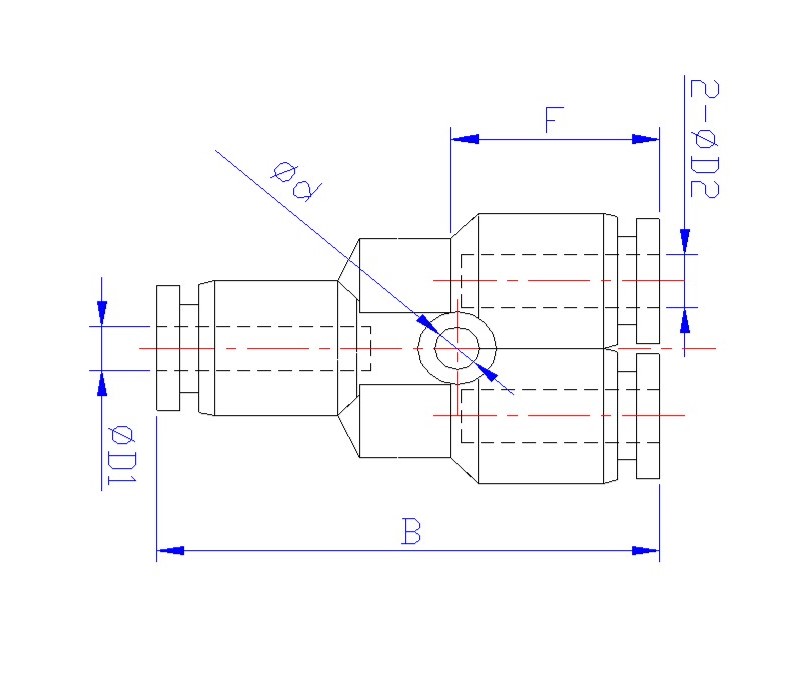
Model RB Dimensions
|
|||||
| Model | ФD1 | ФD2 | Фd | B | F |
| RB 3/16-5/32 | 3/16 | 5/32 | 3.2 | 35.8 | 14 |
| RB 1/4-5/32 | 1/4 | 5/32 | 3.2 | 36.8 | 14.5 |
| RB 1/4-3/16 | 1/4 | 3/16 | 3.2 | 37.1 | 14.8 |
| RB 5/16-1/4 | 5/16 | 1/4 | 3.2 | 39.9 | 17.7 |
| RB 3/8-5/16 | 3/8 | 5/16 | 4.2 | 47.9 | 20.3 |
| RB 1/2-3/8 | 1/2 | 3/8 | 4.2 | 51.6 | 20 |
| RB 6-4 | 6 | 4 | 3.2 | 36.8 | 14.5 |
| RB 8-6 | 8 | 6 | 3.2 | 39.9 | 17.7 |
| RB 10-8 | 10 | 8 | 4.2 | 47.9 | 20.3 |
| RB 12-10 | 12 | 10 | 4.2 | 51.6 | 20 |
| Dimensions for Reference Use Only: Imperial fittings in mm, Metric fittings in mm, U.S.O. | |||||
Link to Push-In Air Fitting Installation Procedure and Specifications
| Home | Terms of Use | Terms of Sale | Career | Contact Us | Click Here to Order |
|
Sizto Tech Corporation © 2001- All rights reserved. Sizto Tech Corporation © 2001-2016. All rights reserved. Last modified: May 10, 2016. Information contained herein may be changed without prior notification. |
|||||