Call us at (650) 938-8833 or email us at Sales@StcValve.net.

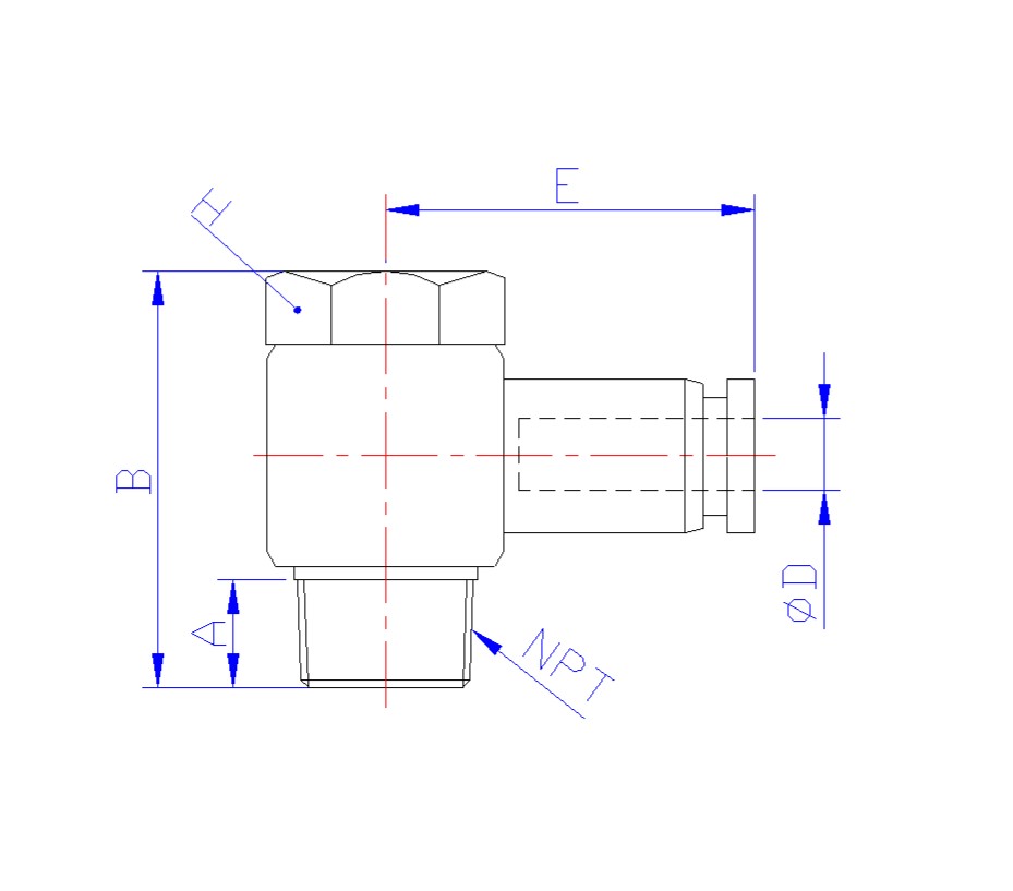
Model UE Dimensions
|
||||||
| Model | ФD | Thread Size | A | B | H | E |
| UE 5/32 10-32 | 5/32 | 10-32UNF | 3.8 | 17.8 | 8 | 20 |
| UE 5/32 N1/8 | 5/32 | NPT1/8 | 7.5 | 23.5 | 11.1 | 22.3 |
| UE 3/16 10-32 | 3/16 | 10-32UNF | 3.8 | 17.8 | 8 | 20.3 |
| UE 3/16 N1/8 | 3/16 | NPT1/8 | 7.5 | 23.5 | 11.1 | 22.6 |
| UE 3/16 N1/4 | 3/16 | NPT1/4 | 10.5 | 27.3 | 14.3 | 24.3 |
| UE 1/4 N1/8 | 1/4 | NPT1/8 | 7.5 | 23.5 | 11.1 | 23.1 |
| UE 1/4 N1/4 | 1/4 | NPT1/4 | 10.5 | 27.3 | 14.3 | 25.1 |
| UE 5/16 N1/8 | 5/16 | NPT1/8 | 7.5 | 23.5 | 11.1 | 25.6 |
| UE 5/16 N1/4 | 5/16 | NPT1/4 | 10.5 | 27.3 | 14.3 | 28.6 |
| UE 5/16 N3/8 | 5/16 | NPT3/8 | 11 | 32.4 | 19 | 29.6 |
| UE 3/8 N1/4 | 3/8 | NPT1/4 | 10.5 | 27.3 | 14.3 | 31 |
| UE 3/8 N3/8 | 3/8 | NPT3/8 | 11 | 32.4 | 19 | 31.6 |
| UE 1/2 N3/8 | 1/2 | NPT3/8 | 11 | 32.4 | 19 | 35.6 |
| UE 1/2 N1/2 | 1/2 | NPT1/2 | 14 | 39.1 | 25.4 | 36.6 |
| UE 4 M5 | 4 | M5 | 4 | 18 | 8 | 20 |
| UE 4 M6 | 4 | M6 | 4.5 | 18.5 | ||
| UE 4 R1/8 | 4 | R1/8 | 7 | 23 | 10 | 22.3 |
| UE 4 R1/4 | 4 | R1/4 | 9.5 | 26.3 | 14 | 24.05 |
| UE 6 M5 | 6 | M5 | 4 | 18 | 8 | 21.9 |
| UE 6 M6 | 6 | M6 | 4.5 | 18.5 | ||
| UE 6 R1/8 | 6 | R1/8 | 7 | 23 | 10 | 23.1 |
| UE 6 R1/4 | 6 | R1/4 | 9.5 | 26.3 | 14 | 25.1 |
| UE 6 R3/8 | 6 | R3/8 | 10.5 | 31.9 | 19 | 26.8 |
| UE 8 R1/8 | 8 | R1/8 | 7 | 23 | 10 | 25.6 |
| UE 8 R1/4 | 8 | R1/4 | 9.5 | 26.3 | 14 | 28.6 |
| UE 8 R3/8 | 8 | R3/8 | 10.5 | 31.9 | 19 | 29.6 |
| UE 8 R1/2 | 8 | R1/2 | 13.5 | 38.6 | 24 | 32.6 |
| UE 10 R1/4 | 10 | R1/4 | 9.5 | 26.3 | 14 | 31 |
| UE 10 R3/8 | 10 | R3/8 | 10.5 | 31.9 | 19 | 31.6 |
| UE 10 R1/2 | 10 | R1/2 | 13.5 | 38.6 | 24 | 34.6 |
| UE 12 R1/4 | 12 | R1/4 | 9.5 | 26.3 | 14 | 33.5 |
| UE 12 R3/8 | 12 | R3/8 | 10.5 | 31.9 | 19 | 35.6 |
| UE 12 R1/2 | 12 | R1/2 | 13.5 | 38.6 | 24 | 36.6 |
| Dimensions for Reference Use Only: Imperial fittings in mm, Metric fittings in mm, U.S.O. | ||||||
Link to Push-In Air Fitting Installation Procedure and Specifications
| Home | Terms of Use | Terms of Sale | Career | Contact Us | Click Here to Order |
|
Sizto Tech Corporation © 2001- All rights reserved. Sizto Tech Corporation © 2001-2016. All rights reserved. Last modified: May 10, 2016. Information contained herein may be changed without prior notification. |
|||||