Call us at (650) 938-8833 or email us at Sales@StcValve.net.

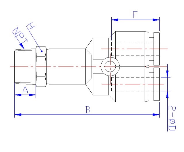
Model YC Dimensions
|
||||||
| Model | ФD | Thread Size | A | B | F | H |
| YC 5/32 10-32 | 5/32 | 10-32UNF | 3.8 | 40 | 14 | 11.1 |
| YC 5/32 N1/8 | 5/32 | NPT1/8 | 7.5 | 42 | 14 | 11.1 |
| YC 5/32 N1/4 | 5/32 | NPT1/4 | 10.5 | 46 | 14 | 14.3 |
| YC 3/16 10-32 | 3/16 | 10-32UNF | 3.8 | 40.3 | 14.3 | 11.1 |
| YC 3/16 N1/8 | 3/16 | NPT1/8 | 7.5 | 42.8 | 14.3 | 11.1 |
| YC 3/16 N1/4 | 3/16 | NPT1/4 | 10.5 | 46.3 | 14.3 | 14.3 |
| YC 3/16 N3/8 | 3/16 | NPT3/8 | 11 | 47.3 | 14.3 | 17.4 |
| YC 1/4 10-32 | 1/4 | 10-32UNF | 3.8 | 42.5 | 14.8 | 12.7 |
| YC 1/4 N1/8 | 1/4 | NPT1/8 | 7.5 | 43.8 | 14.8 | 12.7 |
| YC 1/4 N1/4 | 1/4 | NPT1/4 | 10.5 | 47.3 | 14.8 | 14.3 |
| YC 1/4 N3/8 | 1/4 | NPT3/8 | 11 | 48.3 | 14.8 | 17.4 |
| YC 5/16 N1/8 | 5/16 | NPT1/8 | 7.5 | 47.1 | 18.2 | 14.3 |
| YC 5/16 N1/4 | 5/17 | NPT1/4 | 10.5 | 50.1 | 18.2 | 14.3 |
| YC 5/16 N3/8 | 5/18 | NPT3/8 | 11 | 51.1 | 18.2 | 17.4 |
| YC 3/8 N1/8 | 3/8 | NPT1/8 | 7.5 | 55.1 | 19.5 | 17.4 |
| YC 3/8 N1/4 | 3/8 | NPT1/4 | 10.5 | 58.1 | 19.5 | 17.4 |
| YC 3/8 N3/8 | 3/8 | NPT3/8 | 11 | 58.6 | 19.5 | 17.4 |
| YC 3/8 N1/2 | 3/8 | NPT1/2 | 14 | 62.1 | 19.5 | 22.2 |
| YC 1/2 N1/4 | 1/2 | NPT1/4 | 10.5 | 63.1 | 21.6 | 22.2 |
| YC 1/2 N3/8 | 1/2 | NPT3/8 | 11 | 63.6 | 21.6 | 22.2 |
| YC 1/2 N1/2 | 1/2 | NPT1/2 | 14 | 66.6 | 21.6 | 22.2 |
| YC 4 M5 | 4 | M5 | 3.8 | 39.3 | 14 | 10 |
| YC 4 M6 | 4 | M6 | 4.5 | 40 | 14 | 10 |
| YC 4 R1/8 | 4 | R1/8 | 7 | 41.5 | 14 | 10 |
| YC 4 R1/4 | 4 | R1/4 | 9.5 | 45 | 14 | 14 |
| YC 6 M5 | 6 | M5 | 3.8 | 41.1 | 14.8 | 12 |
| YC 6 M6 | 6 | M6 | 4.5 | 41.8 | 14.8 | 12 |
| YC 6 R1/8 | 6 | R1/8 | 7 | 43.3 | 14.8 | 12 |
| YC 6 R1/4 | 6 | R1/4 | 9.5 | 46.3 | 14.8 | 14 |
| YC 6 R3/8 | 6 | R3/8 | 10.5 | 47.8 | 14.8 | 17 |
| YC 6 R1/2 | 6 | R1/2 | 13.5 | 51.3 | 14.8 | 21 |
| YC 8 R1/8 | 8 | R1/8 | 7 | 46.6 | 18.2 | 14 |
| YC 8 R1/4 | 8 | R1/4 | 9.5 | 49.1 | 18.2 | 14 |
| YC 8 R3/8 | 8 | R3/8 | 10.5 | 50.6 | 18.2 | 17 |
| YC 8 R1/2 | 8 | R1/2 | 13.5 | 54.1 | 18.2 | 21 |
| YC 10 R1/8 | 10 | R1/8 | 7 | 54.6 | 19.5 | 17 |
| YC 10 R1/4 | 10 | R1/4 | 9.5 | 57.1 | 19.5 | 17 |
| YC 10 R3/8 | 10 | R3/8 | 10.5 | 58.1 | 19.5 | 17 |
| YC 10 R1/2 | 10 | R1/2 | 13.5 | 61.6 | 19.5 | 21 |
| YC 12 R1/4 | 12 | R1/4 | 9.5 | 62.1 | 21.6 | 21 |
| YC 12 R3/8 | 12 | R3/8 | 10.5 | 63.1 | 21.6 | 21 |
| YC 12 R1/2 | 12 | R1/2 | 13.5 | 66.1 | 21.6 | 21 |
| Dimensions for Reference Use Only: Imperial fittings in mm, Metric fittings in mm, U.S.O. | ||||||
Link to Push-In Air Fitting Installation Procedure and Specifications
| Home | Terms of Use | Terms of Sale | Career | Contact Us | Click Here to Order |
|
Sizto Tech Corporation © 2001- All rights reserved. Sizto Tech Corporation © 2001-2016. All rights reserved. Last modified: May 10, 2016. Information contained herein may be changed without prior notification. |
|||||